Camping Möbelverschluss Montage
Der Einbau der Camping Möbelverschlüsse erfolgt ganz einfach.

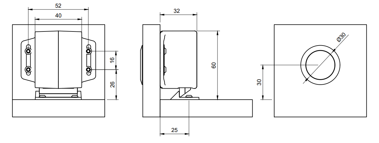
Die Position der Bohrung kann mit Hilfe der bohrschablone.pdf oder anhand der Maßzeichnung ermittelt werden. Für Schlösser mit Blende ist eine Bohrung mit 30mm Durchmesser notwendig. Wenn man keine Blende verwenden möchte, ist eine 25mm Bohrung ausreichend. Für die Bohrungen verwendet man am besten einen Forstnerbohrer.
Anschließend markiert man die Position der Schrauben mithilfe der Bohrschablone.
Wenn man ein Everlock Set mit Blende verwendet, muss die Blende in die Bohrung eingepresst werden. Gegebenenfalls kann man die Bohrung vorher mit Schleifpapier etwas vergrößern, um die Blende leichter einpressen zu können. Denkt daran die Blendenoberfläche vor dem Einpressen mit etwas Filz oder Stoff zu schützen. Wichtig - die Blenden sind nach dem Einpressen nicht mehr zerstörungsfrei zu entfernen.
Nun wird das Schloss auf die Tür / Klappe aufgeschraubt. Hier sind erst einmal 2 Schrauben ausreichend, diese werden leicht angezogen, damit man das Schloss noch passend ausrichten kann.
Der Anschlag auf der Gegenseite wird nun ebenfalls ausgerichtet und mit 2 Schrauben fixiert.
Nun beginnt die Justage.
Zuerst wird geprüft, dass das Schloss nicht zu fest verschraubt ist, damit man es auch bei geschlossener Klappe notfalls etwas schieben kann (durch das Fingerloch).
Anschließend wird er Anschlag in Position gebracht. Dabei wird dieser so positioniert, dass die Falle des Verschlusses gerade noch hinter der Auflaufschräge einrastet. Sobald diese Position ermittelt ist, wird der Anschlag fest verschraubt.
Nun wird noch die Höhe des Schlosses nachjustiert. Bei betätigtem Drücker muss es mit etwas Spiel (1-2mm) zum Anschlag stehen. Damit ist gewährleistet, dass das Schloss leicht zu öffnen ist.
bohrschablone.pdf